METSO X820-21PA-001N12 MINERALS HYDRAULIC VALVE
Brand:Metso Model number:X820-21PA-001N12
Country of origin: Finland Product weight:0.55kg
HS code:8517623990
Product Details:
Product Dimensions:
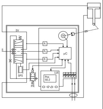
Advanced self-diagnostics guarantees that all measurements operate correctly. Failure of one measurement does
not cause the valve to fail if the input signal and position
measurements are operating correctly. After connections of
electric signal and pneumatic supply the micro controller
(μC) reads the input signal, position sensor (α), pressure
sensors (Ps, P1, P2) and spool position sensor (SPS). A difference between input signal and position sensor (α) measurement is detected by the control algorithm inside the μC.
The μC calculates a new value for prestage (PR) coil current
based on the information from the input signal and from
the sensors. Changed current to the PR changes the pilot
pressure to the spool valve. Reduced pilot pressure moves
the spool and the actuator pressures change accordingly.
The spool opens the flow to the driving side of the double
diaphragm actuator and opens the flow out from the other
side of the actuator. The increasing pressure will move the
diaphragm piston. The actuator and feedback shaft rotate
clockwise. The position sensor (α) measures the rotation for
the μC. The μC using control algorithm modulates the PRcurrent from the steady state value until a new position of
the actuator according to the input signal is reached.
Connect the conductors to the terminal strip as shown in
Fig. 9. It is recommended that the earthing of the input
cable shield be carried out from the DCS end only.
The position transmitter is connected to 2-pole terminal PT
as shown in Fig. 9. The position transmitter needs an external power supply. The ND9000H / ND7000H and the position transmitter circuits are galvanically isolated and
withstand a 600 V AC voltage.

We have the same series of models in stock. If you don't find the model you need, please contact us and we will provide you with an official quotation!
METSOA413197
METSOB913S7450A
METSOB96394053A
METSOA413046
METSOA413188
METSOB962V5003A
METSOBOU8A413150
METSOBIU84A413143
METSOBOU82A413152
METSOAOH4A413139
METSOA4120074V1.1
METSOA4730024
METSOA413793A
METSOA413135AOU4
METSOA413162
METSOA48555TRE-S01
METSOA413125
METSOA413140
METSOA413050
METSOA413015NCU09
METSOA413016NCU214
METSOA413061DMU
METSOA413370ESU422138-3B
METSOA413082
METSOA413374
Colour:new Warranty: 12 months
Lead Time:3-day working day Price: Please contact us
Shipping Port: Xiamen, China Payment:T/T
Express cooperation: fedex, DHL, UPS and your express account
Service: Professional Sales provides 24 hours /7 days online service
Our service:

Fast delivery, and can be used with your express account.

Competitive Price

Free Shipping

One-year warranty